71832000 Logis 160 кух смес одн. с пов изл 360
Бренд:
HansgroheОписание
Характеристики продукта
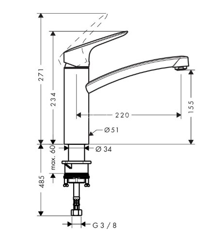
ComfortZone 210
выступ 154 мм
обычная струя
расход воды: 5 л/мин
сливная арматура со стержнем тяги
подходит для проточных водонагревателей
угол поворота излива 120°
Характеристики
Гарантия
5 лет
Производитель
Назначение
для кухонной мойки
Категория
Смесители
Серия
Logis
Тип
смеситель
Управление
однорычажное
Донный клапан
нет
Высота, см
23.4
Отверстия для монтажа
1 отверстие
Монтаж
на мойку
Механизм
керамический картридж
Дополнительные функции
совместим с проточным водонагревателем
Высота излива, см
15,5
Бренд
Вращение излива
поворотный
Стандарт подводки
3/8''
Функция экономии расхода
Да
Отзывы

Покупатели, которые приобрели 71832000 Logis 160 кух смес одн. с пов изл 360, также купили


































































































































































































































































































































